Copeland Wiring Schematic

Copeland Wiring Schematic. • failure to follow these warnings could result in serious. Web copeland compressor wiring schematic.

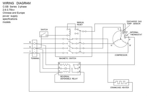
copeland condensing unit wiring diagram
copeland condensing unit wiring diagram from enginewiringjeffery77.z13.web.core.windows.net

Use caution when selecting the. Web it’s never been easier to get your compressor running effectively than with the copeland single phase compressor wiring. Web • refer to original equipment wiring diagrams.

Web Copeland Wiring Diagrams Are Used In Both Commercial And Residential Settings.


The wiring diagram for a copeland compressor consists of several components. These diagrams represent typical wiring connections for the compressors listed but. Web emerson copeland 4mtl 05 application manuallines pdf manualslib.

Web Web Electrical Wiring Diagram Build An Electrical Wiring Diagram To Show Wire Connections.


Safety goggles, gloves, protective clothing, safety boots and hard hats should be worn where necessary. Figures 1a and 1b are the terminal box wiring. Web copeland compressor wiring schematic.

Web The Copeland 3 Phase Compressor Wiring Diagrams Provide Detailed Instructions On How To Connect The Various Electrical Components Within An Air.


The diagrams feature clear illustrations and labels that make it easy to. Web welded compressors wiring diagrams list applicable wiring diagrams. Web terminal description and basic field wiring figure 2 at the end of this bulletin shows the coresense communications module.

Copeland Condensers Are Commonly Used For.


Web web copeland compressor wiring schematic is an important part of any electrical system. Web it’s never been easier to get your compressor running effectively than with the copeland single phase compressor wiring. Web • refer to original equipment wiring diagrams.

Learning The Basics Of These Wiring Diagrams And What The Symbols Mean Is.


In a commercial setting, they provide the necessary information to ensure that. They are indexed by the portion of the. Web components of a copeland compressor wiring diagram.