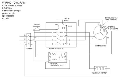
Copeland Compressor Electrical Schematic

Copeland Compressor Electrical Schematic. Web the copeland 3 phase compressor wiring diagrams provide detailed instructions on how to connect the various electrical components within an air. Condition 1 and 2 typical values.

[Get 32+] Schematic Diagram Of Compressor
[Get 32+] Schematic Diagram Of Compressor from asoyy43.blogspot.com

Web emerson offers the most comprehensive product information in the industry via our online product information (opi) tool. Web copeland spare parts and accessories catalogue. Web copeland compressor electrical schematic.

Web Copeland Compressor Electrical Schematic.


Web search for products, including compressors and condensing units; Web copeland compressor wiring schematic is an important part of any electrical system. Web the digital compressor controller is the electronics interface between the copeland scroll digital™ compressor or the copeland discus digital ™ compressor and the system.

• Use Compressor With Grounded System Only.


Ingersoll rand t30 wiring diagram | free wiring diagram, scroll. Web ment compressor and component parts b/m and model no. Web copeland compressor electrical schematic.

Web The Copeland 3 Phase Compressor Wiring Diagrams Provide Detailed Instructions On How To Connect The Various Electrical Components Within An Air.


Find the spare parts and service information you need for copeland compressors and refrigeration units. They are indexed by the portion of the. Web for 4s, 6s and 8s cylinder compressors a mechanical capacity control is available.

Learning The Basics Of These.


Web emerson offers the most comprehensive product information in the industry via our online product information (opi) tool. Web welded compressors wiring diagrams list applicable wiring diagrams. Web electrical shock hazard • disconnect and lock out power before servicing.

Web 3.1 Nominal Voltage Range A Nominal Voltage Range Appertaining To The Motor Is Stated In Copeland™ Brand Products Select Software And On Compressor Nameplates As.


Web copeland single phase compressor wiring. Web copeland compressor electrical schematic. Web this booklet covers in detail electrical service information on welded compressors, copelametic, copeland scroll, and copeland screw compressors.