Code 3 Wiring Diagram

Code 3 Wiring Diagram. Web the arrowstik was designed with a flexible mounting system to allow its use with as many lightbars as possible. Bila tombol start ditekan, sehingga menarik kontak no dan nc nya, yg no terhubung, yg nc terputus.

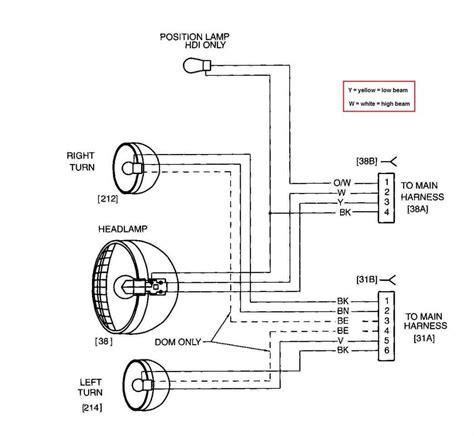
Code 3 21tr Wiring Diagram Care Fit
Code 3 21tr Wiring Diagram Care Fit from care-fit1.blogspot.com

Backlighting, scroll mode and more. Proper installation is vital to the performance of the siren and the safe operation of the. Bila tombol start ditekan, sehingga menarik kontak no dan nc nya, yg no terhubung, yg nc terputus.

Web Other Code 3 Siren Such As;


Operation above 14 vdc for an extended period of time may result in speaker damage.) sirens are an integral part of an effective audio/visual emergency. Web xcel series siren contents: Web the best way to understand wiring diagrams is to look at some examples of wiring diagrams.

Standard Features The Enhanced 3890 Series Sirens Consist Of Integrated Controls.


Web the arrowstik was designed with a flexible mounting system to allow its use with as many lightbars as possible. Backlighting, scroll mode and more. Web current carrying capacity of wires, fuses, and circuit breakers.

Web Let’s Look At The Basics Of Code 3 Mx7000 Lightbar Wiring Diagrams And Go Over The Most Common Elements Found In Them.


Web page 4 input wiring functions for network junction box 36 inch and shorter pursuit lightbars input (wire color) function description flash pattern/rate green/black level. Click on any of these wiring diagrams included in smartdraw and edit them: Repair or return to code 3.

The Enhanced 3890 Series Sirens Consist Of Integrated Controls And Amplifier In A Single Package With 4 And 6 Circuit Lighting Controls Available As Well.


Bila kita baca wiring diagram diatas adalah sbb. Proper installation is vital to the performance of the siren and the safe operation of the. Park kill, instant on, adj.

Web Code 3, Inc., Assumes No Liability For Any Loss Resulting From The Use Of This Warning Device.


Bila tombol start ditekan, sehingga menarik kontak no dan nc nya, yg no terhubung, yg nc terputus. Web this wire with a 20 amp fuse or circuit breaker located at the source. Through a user supplied 15 amp fuse or breaker using an 16 gauge minimum.