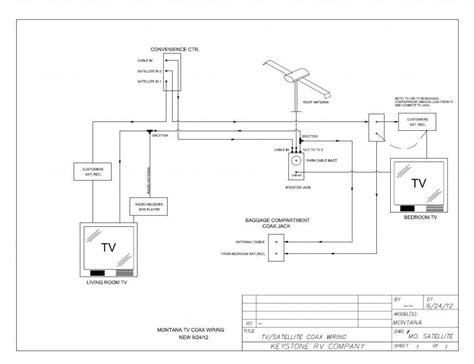
Coaxial Cable Wiring Schematic

Coaxial Cable Wiring Schematic. Web a coax cable house wiring diagram is a comprehensive map of the wiring system found in any home. Web the vector stencils library terminals and connectors contains 43 element symbols of terminals, connectors, plugs, polarized connectors, jacks, coaxial cables, and.

Why coaxial cabling? How to measure only the capacitance you want
Why coaxial cabling? How to measure only the capacitance you want from razorbillinstruments.com

Web computer and network examples | diagrams of coaxial cable network wiring cable. I print out the schematic in addition to highlight the circuit i’m diagnosing to be able to make sure i am staying on the path. Web use it for drawing the wiring diagrams, electrical layouts, electronic schematics, and circuit diagrams.

Coaxial Cable Assemblies Catering For Data, Rf, And Video Applications Can Be Supplied To Your.


Web electrical symbols for coaxial cables ; Web first, you will need to measure and mark the area where you want to run the cable. Computer and network examples to connect two or more network devices are used the.

It Shows The Location Of All The Major Components As Well As.


I print out the schematic in addition to highlight the circuit i’m diagnosing to be able to make sure i am staying on the path. Web wikipedia] a terminal is the point at which a conductor from an electrical component, device or network comes to an end and provides a point of connection to external circuits. You can consider every coaxial drop in your house a potential future ethernet drop, no cutting up.

Web A Coax Cable House Wiring Diagram Is A Comprehensive Map Of The Wiring System Found In Any Home.


Web computer and network examples | diagrams of coaxial cable network wiring cable. Web coaxial cable is a simply copper cable that helps to transfer the electrical signals in between the multiple electrical devices, systems or other components. Electrical symbol of cable ;

Web The Vector Stencils Library Terminals And Connectors Contains 43 Element Symbols Of Terminals, Connectors, Plugs, Polarized Connectors, Jacks, Coaxial Cables, And.


Web wikipedia] a terminal is the point at which a conductor from an electrical component, device or network comes to an end and provides a point of connection to external circuits. Web coaxial cable can easily be converted to serve as a data network. Web automatic cut and strip for coaxial cabling, compliant with rohs;

Web Use It For Drawing The Wiring Diagrams, Electrical Layouts, Electronic Schematics, And Circuit Diagrams.


When you have determined the exact location, you can start to drill holes and pull. A well label diagram of coxial connector; Coaxial cables connectors drawing ;