Coax Cable Schematic

Coax Cable Schematic. An outer dc block has a capacitor in series with the. The models and symbols associated with this part are listed below.

Circuit a day coaxial cable
Circuit a day coaxial cable from aaronscher.com

A well labeled diagram of a coaxial cable ; To view detailed information on a model (description, parameters,. Web read the schematic like the roadmap.

Web Schematic Compact Model Of The Coaxial Cable In Spice Based Circuit Simulator.


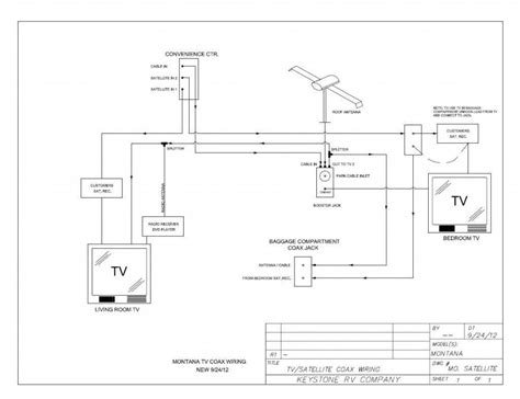
Web when reading a coax cable house wiring diagram, the most important element is to understand the symbols used on the diagram. A well labeled diagram of a coaxial cable ; Web read the schematic like the roadmap.

Web August 13, 2022 By Wiring Digital A Comprehensive Look At Coax Cable House Wiring Diagrams Having A Reliable Wiring Diagram For Your Home Is Essential For.


Web coaxial cable can easily be converted to serve as a data network. I print out the schematic in addition to highlight the circuit i’m diagnosing to be able to make sure i am staying on the path. Web coaxial connectors contacts femalemale neut hot 120 v hot 120 v120 v hotneut malefemale phone jacks (j#) phone plug.

Web The Vector Stencils Library Terminals And Connectors Contains 43 Element Symbols Of Terminals, Connectors, Plugs, Polarized Connectors, Jacks, Coaxial Cables, And.


Web an inner dc block uses a single capacitor in series with the inner or center conductor of the coaxial cable ; The models and symbols associated with this part are listed below. Web labelled diagram of coaxial cable ;

To View Detailed Information On A Model (Description, Parameters,.


Web the vector stencils library terminals and connectors contains 43 element symbols of terminals, connectors, plugs, polarized connectors, jacks, coaxial cables, and. Draw diagram of coaxial cable ; Web coaxial cable is a simply copper cable that helps to transfer the electrical signals in between the multiple electrical devices, systems or other components.

You Can Consider Every Coaxial Drop In Your House A Potential Future Ethernet Drop, No Cutting Up.


An outer dc block has a capacitor in series with the.