Co Sensor Wiring Diagram

Co Sensor Wiring Diagram. Programmable fan and alarm relays for occupant warnings. Shut off unit power supply.

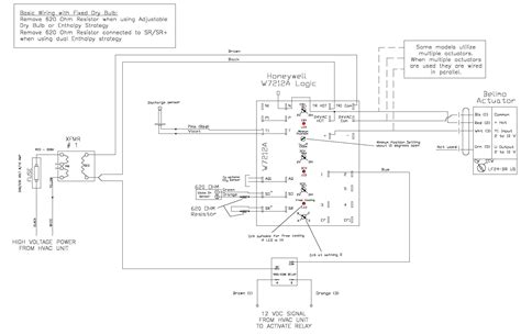
Honeywell Co2 Sensor Wiring Diagram
Honeywell Co2 Sensor Wiring Diagram from schematron.org

View all wiring diagrams here. Page 1 carbon monoxide transmitter installation manual introduction the co transmitter uses an electrochemical sensor to. 5 — co2 sensor wiring diagram step 3 — mounting the sensor to mount the sensor and aspirator box, perform the following procedure.

Web Wiring A 4 Wire Proximity Sensor Is Not As Complicated As It May Seem, However It Does Take A Bit Of Knowledge And Skill In Order To Do It Correctly.


The standard product features a 2. 5 — co2 sensor wiring diagram step 3 — mounting the sensor to mount the sensor and aspirator box, perform the following procedure. Web wiring diagram atau rangkaian kontrol start stop sederhana conveyor dengan satu motor ditunjukan oleh gambar dibawah ini peralatan yang diperlukan untuk.

Bila Tombol Start Ditekan, Sehingga Menarik Kontak No Dan Nc Nya, Yg No Terhubung, Yg Nc Terputus.


Bila kita baca wiring diagram diatas adalah sbb. Pnp or npn?what is the difference between normally open and normally closed? Web co100ar sensor wiring diagram w:

Web Sensorswitch Provides Wiring Diagrams For Various Types Of Sensors, Such As Ceiling Mount Or Wall Mount Sensors.


The second is the ground cord,. Shut off unit power supply. It should be noted the installation, operation, testing and maintenance of the co1224t/co1224tr is different than system sensor.

Web What You Need To Know About Wiring Of Sensors Which Output Type Do You Need:


Programmable fan and alarm relays for occupant warnings. Web summary of contents for greystone cmd5b1 series. Co1224t carbon monoxide alarm pdf manual download.

Web The Wiring Diagram Below Shows The Typical Wiring Configuration For A Knock Sensor So That You Know How To Correctly Connect The Knock Sensor To The Car’s.


Web programmed for co, no2, and internal enclosure temperature signals. Page 1 carbon monoxide transmitter installation manual introduction the co transmitter uses an electrochemical sensor to. Web view and download system sensor co1224t installation and maintenance instructions online.